Ecophon Focus Ds
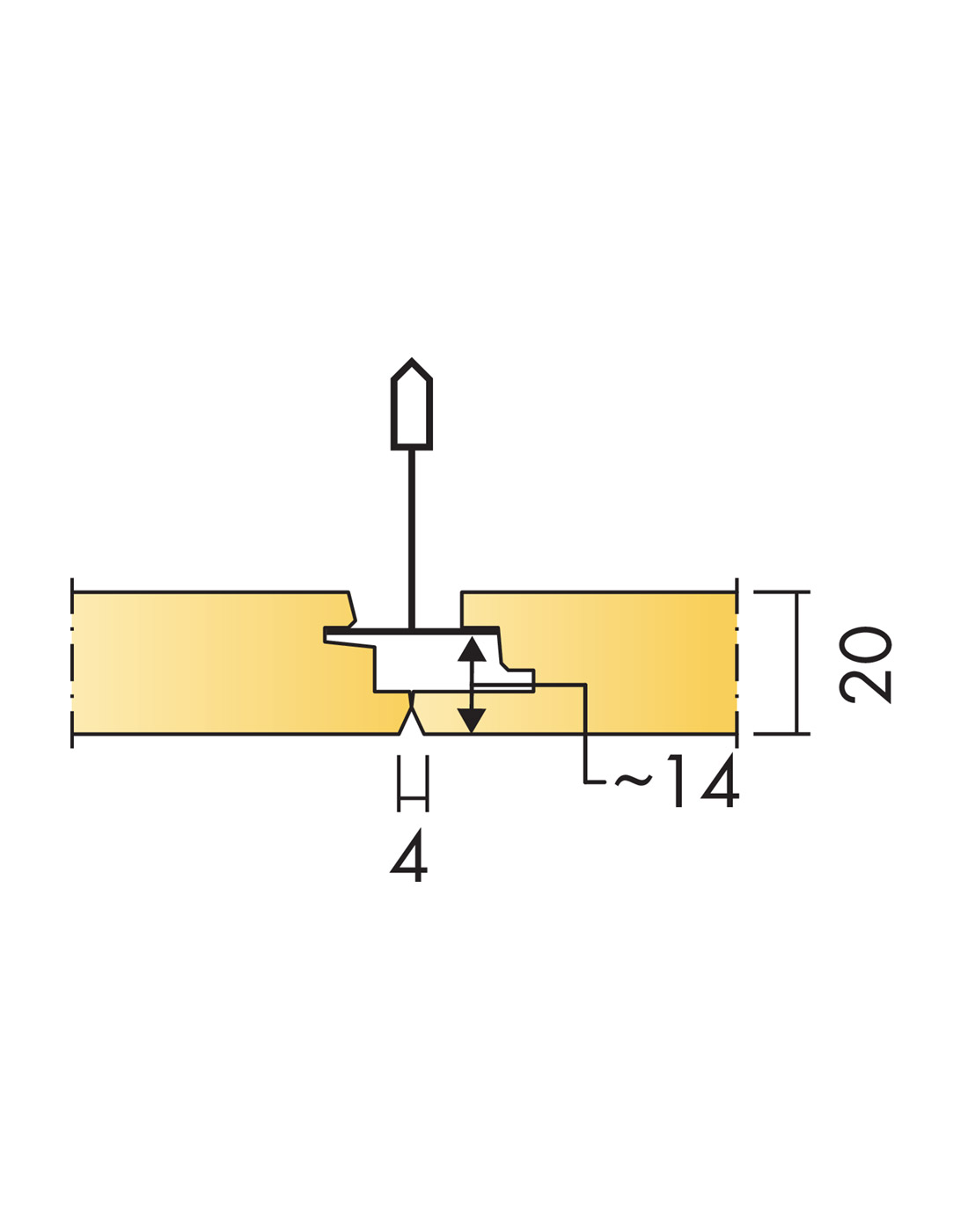
Ecophon Focus Ds устанавливается в помещениях, где требуется потолок со скрытой подвесной системой и возможностью демонтажа отдельных панелей. Ecophon Focus Ds имеет скрытую подвесную систему и симметричный дизайн кромки, облегчающий сборку, монтаж осветительных систем и вентиляции. Панели имеют гладкую поверхность со скошенной кромкой, формирующей четкий стык между ними. Каждая панель является полностью съёмной. Возможно применение технологии УФ-печати.






Система состоит из панелей Ecophon Focus Ds и подвесной системы Ecophon Connect. Вес системы около 3-4 кг/м². Панели изготовлены из стекловолокна высокой плотности по технологии 3RD. На лицевую поверхность нанесено микропористое покрытие Акутекс™ FT (Akutex™ FT). Тыльная сторона панели покрыта неокрашенным стеклохолстом. Кромки окрашены. Подвесная система изготовлена из оцинкованной стали. Система запатентована.
Технология УФ-печати позволяет наносить любое изображение на белую микропористую поверхность Акутекс (Аkutex) в сочетании с бюджетной стоимостью процессинга.
Теперь самые смелые дизайнерские решения могут успешно сочетаться с гарантированными акустическими свойствами материала, создавая все условия для прекрасного звучания.
Примеры объектов с применением Ecophon Focus Ds
Объекты с применением материала найдены в разделах: "Офисы и конференц-залы" , "Медицинские учреждения" , "Образовательные учреждения" , "Студии звукозаписи, домашние кинотеатры и комнаты прослушивания" , "Театры и концертные залы"
Ниже приведены лишь некоторые из множества реализованных объектов. Больше примеров можно найти в разделе "Объекты" нашего сайта.
Размер
| Размеры, мм | 600x600 | 1200x600 | 1200x1200 | 1600x600 | 1800x600 | 2000x600 | 2400x600 |
| Толщина | 20 | 20 | 25 | 20 | 20 | 20 | 20 |

Звукопоглощение
| Focus Ds 20mm | ||||
| В.п.с. мм | 60 | 75 | 200 | 400 |
| Класс звукопоглощения | B | A | A | |
| NRC | 0,90 | - | - | 0,80 |
| SAA | 0,90 | - | - | 0,82 |
Результаты тестов в соответствии с EN ISO 354.
Классификация в соответствии со стандартом EN ISO 11654, единичные значения для NRC и SAA в соответствии с ASTM C 423.
Звукоизоляция
Dn,f,w=24 дБ в соответствии со стандартом ISO 140-9 и измерено в соответствии с EN ISO 717-1. CAC=25 дБ в соответствии с ASTM E 1414 и измерено в соответствии с ASTM E 413.
Разборчивость речи
AC(1.5)=180 в соответствии с ASTM E 1111 и E 1110.
Технические характеристики
| Доступ в межпотолочное пространство | Панели размером 600x600 и 1200x600 легко демонтируются. Панели размером 1200x1200 и XL демонтируются. Минимальная глубина доступа указана на монтажных схемах. |
| Влагостойкость | Панели выдерживают постоянную относительную влажность воздуха до 95% при температуре 30°C без провисания, деформации и расслоения (ISO 4611). |
| Светоотражение | Цвет Белый Frost, ближайший цвет в системе NCS S 0500-N, светоотражение 85% (из которых 99% рассеивается). Коэффициент ретроотражения 63 mcd/(m²lx). Блеск < 1. |
| Внутренний микроклимат | Панели сертифицированы в соответствии с Indoor Climate Labelling, рекомендованы Шведской Ассоциацией по борьбе с астмой и аллергией и могут использоваться в помещениях класса ISO 6/M3.5. |
| Страна производства | Швеция |
| Класс | КМ1 (Г1, В1, Т1, Д1) |
| Стандарт | ГОСТ 30244-94, ГОСТ 30402-96, СНиП 21-01-111 |
| Очистка | Ежедневная сухая чистка и чистка пылесосом. Еженедельная влажная уборка. |
| Пожаробезопасность | Стекловолокно, используемое для производства панелей, после испытаний отнесено к негорючим материалам в соответствии со стандартом EN ISO 1182. Системы препятствуют распространению огня в соответствии с NT FIRE 003. |
Цены с отгрузкой со склада в Москве
| Название | Ед. изм. | Цена, ₽/ед. | Цена, |
|---|---|---|---|
|
Focus Ds
600 х 600 х 20мм, Белый Frost, 20 шт./7,2 м2/упак.
|
упак. | По запросу | |
|
Focus Ds
1200 х 600 х 20мм, Белый Frost, 10 шт./7,2 м2/упак.
|
упак. | По запросу | |
|
Focus Ds
1200 х 1200 х 20мм, Белый Frost, 6 шт./8,64 м2/упак.
|
упак. | По запросу | |
Обратите внимание
На сайте указаны рекомендованные розничные цены. Цены действительны для выбранного города. Почему цены в разных городах отличаются?
Если нужного города нет в списке городов нашего сайта или в таблице указано, что цена предоставляется по запросу, отправьте индивидуальный запрос на расчет стоимости.
Где купить?
Запрос на расчет стоимости
Почему цены в разных городах отличаются?
Дело в том, что на стоимость строительных материалов сильно влияют логистические расходы. Если производство находится в другом городе или сырье привозят издалека, то стоимость готовой продукции окажется выше. Для габаритных материалов и материалов, которые требуют аккуратности при транспортировке (например, шпонированные панели), этот фактор особенно критичен.
Можно ли сэкономить при покупке материалов?
Да. И речь не про скидки и акции, которые надо ловить, а про разумное потребление. На наших складах не редко появляются материалы, имеющие те или иные повреждения (например, сколы). Такие материалы все еще можно использовать во многих случаях. К примеру, при монтаже любых панелей, ГКЛ/ГВЛ, ЗИПСов обязательно возникает необходимость обрезки под размеры стен. И в таких ситуацих частичное повреждение панели совершенно не критично. В то же время, материалы с повреждениями продаются с существенной уценкой. Проверить наличие подходящих вам уцененных товаров на ближайшем складе можно на сайте:
Файлы для скачивания
Сертификаты и протоколы
Информация по продукту
Техническая информация
Инструкция по монтажу

Не нашли, что искали? Спросите у нас!
Подпишитесь на рассылку, чтобы быть в курсе новинок, акций, скидок!
Вы сможете получать информацию о наших продуктах, а также узнавать о последних тенденциях в области шумоизоляции.